无法使用此链接。检查链接是否以 "http://" 或 "https://" 开头,然后重试。
无法处理此搜索。请尝试其他图像或关键字。
试用视觉搜索
使用图像搜索、识别对象和文本、翻译或解决问题
将一个或多个图像拖到此处,
上传图像
或
打开相机
你提供的照片可能用于改善必应图片处理服务。
隐私政策
|
使用条款
将图像放置到任意位置以开始搜索
要使用可视化搜索,请在浏览器中启用相机
English
全部
搜索
图片
灵感
创建
集合
视频
地图
资讯
更多
购物
航班
旅游
笔记本
自动播放所有 GIF
在这里更改自动播放及其他图像设置
自动播放所有 GIF
拨动开关以打开
自动播放 GIF
图片尺寸
全部
小
中
大
特大
至少... *
自定义宽度
x
自定义高度
像素
请为宽度和高度输入一个数字
颜色
全部
仅限颜色
黑白
类型
全部
照片
剪贴画
素描
动画 GIF
透明
版式
全部
方形
横版
高
人物
全部
仅脸部
半身像
日期
全部
过去 24 小时
过去一周
过去一个月
去年
授权
全部
所有创作共用
公共领域
免费分享和使用
在商业上免费分享和使用
免费修改、分享和使用
在商业上免费修改、分享和使用
详细了解
清除筛选条件
安全搜索:
中等
严格
中等(默认)
关闭
筛选器
727×347
www.silveradosierra.com
Passlock Bypass | Chevy Silverado and GMC Sierra Forum
1000×600
cartipsdaily.com
How to Bypass Silverado Anti-Theft System: Complete DIY Guide - Daily Car Tips
1000×600
cartipsdaily.com
How to Bypass Silverado Anti-Theft System: Complete DIY Guide - Daily Car Tips
1000×600
cartipsdaily.com
How to Bypass Silverado Anti-Theft System: Complete DIY Guide - Daily Car Tips
1000×600
cartipsdaily.com
How to Bypass Silverado Anti-Theft System: Complete DIY Guide - Daily Car Tips
960×609
2CarPros
Bypass Security System: Lost Keys so I Changed Ignition and Now ...
864×1082
2CarPros
Bypass Security System: Lost Ke…
535×811
storage.googleapis.com
Bypass Security System at Cha…
4032×3024
www.silveradosierra.com
2000 Silverado intermittent security no-start | Page 2 | Che…
600×273
www.silveradosierra.com
2000 Silverado intermittent security no-start | Page 2 | Chevy Silverado and GMC Sierra Forum
1000×704
www.silveradosierra.com
2000 Silverado intermittent security no-start | Page 2 | Chevy Silvera…
1280×720
storage.googleapis.com
How To Bypass Security System at Patrick Guinn blog
1280×720
storage.googleapis.com
How To Bypass Security System at Patrick Guinn blog
800×800
access1alarm.com
Chevrolet Silverado Premium Vehicle Se…
1920×1080
fity.club
2001 Chevy Silverado Security Reset
1280×960
examples.tely.ai
Silverado Anti Theft Bypass: Step-by-Step Instructions
600×474
schemesnet.com
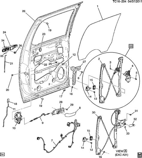
2000 Chevy Silverado Door Lock Diagram
900×1100
portal-diagnostov.com
ANTI-THEFT – Chevrolet Silverado 2…
1280×720
autoian.com
How To Reset Anti Theft System Chevy Silverado: Easy Steps
768×480
askcarmechanic.com
How To Reset Anti Theft System Chevy Silverado?
768×480
askcarmechanic.com
How To Reset Anti Theft System Chevy Silverado?
300×293
askcarmechanic.com
How To Reset Anti Theft System Chevy Silverado?
768×1024
scribd.com
Silverado 2000 Conectores Pass L…
1388×1146
amazon.com
Amazon.com: Ri-Key Security - New Driver and Passenger Side Doors Lock …
859×960
mydiagram.online
[DIAGRAM] 2000 Chevy Silverado Door Lock Diagra…
1418×1230
amazon.ca
RI-KEY SECURITY - New Driver Or Passenger Side Door Lock for Chevr…
480×360
www.gmtruckclub.com
2000 Silverado possible pass lock issue | GM Truck Club Forum
1119×1118
www.silveradosierra.com
1999 k1500 passlock problem | Chevy Silv…
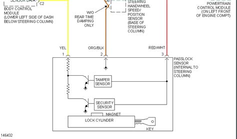
2402×1685
wiringall.com
Wiring Diagram For Passlock 2 1999 Chevy Silverado
1280×720
wiringall.com
Wiring Diagram For Passlock 2 1999 Chevy Silverado
1280×720
terriemarin.blogspot.com
10+ Gm Passlock Bypass Diagram - TerrieMarin
1024×768
eleccircs.com
Unlocking the Mystery: Understanding the GM Passlock …
866×511
JustAnswer
I have a 2001 silverado 4.8 and i cant seem to find the tdm to connect the pro full bypass ...
678×637
newrockies.com
1998-2000 Chevrolet Silverado Classic, Sierra…
1280×720
fyoqxfpkk.blob.core.windows.net
How To Bypass Security Chip In Car Keys at Wayne Hernandez blog
某些结果已被隐藏,因为你可能无法访问这些结果。
显示无法访问的结果
报告不当内容
请选择下列任一选项。
无关
低俗内容
成人
儿童性侵犯
反馈